小偏心臂 為地鉸鏈系統中的重要連動配件之一,主要應用於 60–120公斤 的一般門體。透過偏心設計調整門片轉動軸心位置,可有效提升門片開關穩定性與使用順暢度,適用於門厚約 4–6公分 的門體配置。
在實際門控安裝中,若門片出現開關不順、轉動不穩、門片偏移,或需微調開啟軌跡與軸心位置時,通常會使用 地鉸鏈偏心臂 進行結構調整。相較標準搖臂,小偏心臂可提供更彈性的軸心配置,是中型門控系統常見的實務解決方案。
本產品適用於 玻璃門、商用門、辦公室門體 與一般門控系統,亦常用於門控維修與調整需求。若需搭配完整系統,可進一步參考 地鉸鏈系列 與 地鉸鏈配件系列。
若您正在比較不同門控系統與零配件,可進一步查看 地鉸鏈配件系列、 地鉸鏈系列,依據門型、安裝方式與維修需求進行完整選型。
若您正在尋找 地鉸鏈配件製造商、地鉸鏈偏心臂供應商 或 門控系統 OEM 工廠,乾津精密可依門型、門重與安裝條件提供專業建議。
小偏心臂 為常見的 地鉸鏈偏心臂 配件,適用於一般門體與中型門控系統。對於需要處理門片偏移、轉動不順、軸心位置調整與安裝補正需求的工程與維修端而言,小偏心臂屬於常見且實用的連動結構零件之一。
可調整門片轉動軸心位置,提升門片運作穩定度。
適用 60–120 公斤門體,常見於商用門、玻璃門與辦公空間門體。
有助於改善門片偏移、轉動不順與結構不穩等問題。
適用多種門厚與一般工程安裝條件,方便現場評估與搭配。
若門片重量介於 60–120 公斤,且門厚約 4–6 公分,同時需調整門片轉動軸心或改善門片開關表現時,可優先評估使用小偏心臂。
若您正在尋找 地鉸鏈偏心臂供應商、門控五金製造商 或 商用門五金 OEM / ODM,小偏心臂是兼具實用性與穩定性的常見門控配件選項。
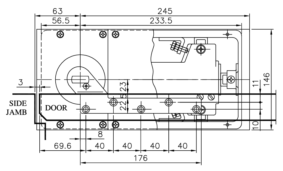
以下為 小偏心臂 主要規格資訊,方便採購、工程與安裝端評估門片厚度、承重需求與安裝條件。若您需要比較更多門控產品,也可參考 地鉸鏈系列、 地鉸鏈配件系列。
若您的專案需要比對不同類型門控五金、搭配安裝條件或延伸配件,可進一步查看 地鉸鏈系列、 地鉸鏈配件系列,方便採購與工程端進行完整門控規劃。
若現場門片出現偏移、開關不順、轉動不穩或需調整軸心位置,建議先確認門片重量、門厚與既有地鉸鏈系統條件,再進行偏心臂選購,以確保安裝後的穩定性與使用壽命。
若您正在尋找 地鉸鏈配件製造商、偏心臂供應商、商用門控五金 OEM / ODM,歡迎與我們聯繫。乾津精密可依門型、門重、安裝條件與專案需求,提供合適的產品建議與詢價服務。